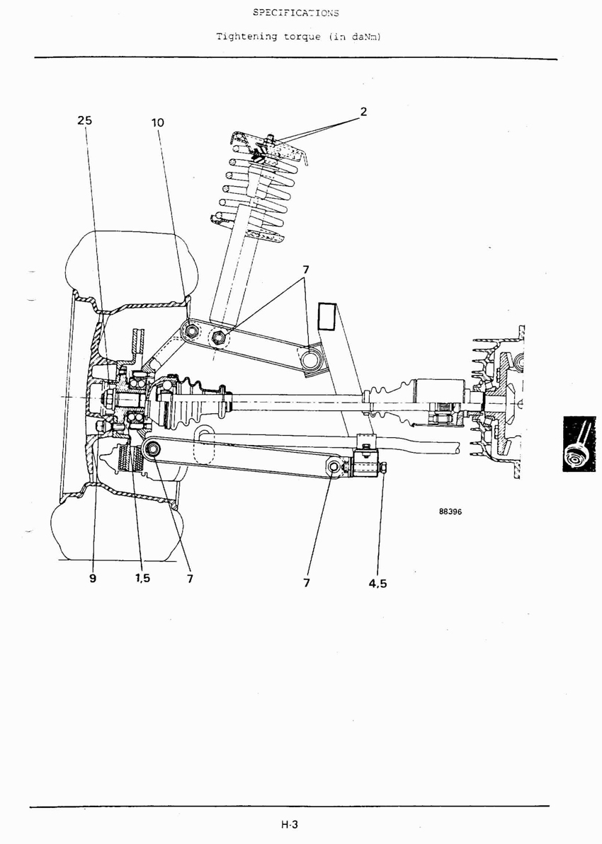
Back Home Next

Rear Axle